楼梯踏步平台尺寸计算方法及计算公式
楼梯踏步平台尺寸计算方法及计算公式
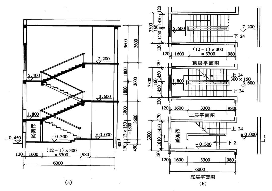
三层办公楼楼梯间的开间尺寸为3600mm,层高尺寸为3600mm,进深尺寸为6000mm,按规定要设两部等宽楼梯,一部为另一部的疏散通道,楼梯间一侧为公共走道,内外墙厚240mm,室内外高差450mm。一楼梯间下面不开门,设置为储藏室。
1根据房屋类别,确定楼梯的坡度,即确定踏步
尺寸。
先根据建筑的性质与用途,假定踏步的宽度 b ,再按公式2h+b=560-630mm,求得踏步高 h , b, h 确定了,楼梯的坡度也就确定了。
如层高为H,则踏步数 N 为: N = H / h。
确定踏步尺寸和楼梯坡度。
办公楼属公共建筑,楼梯使用较频繁,踏面宽 b =300,踏步高150。
2根据房屋的层高,计算毎层踏步的数量。
确定每层踏步数量 N= 3600/150=24(步)总步数多于18步,需按双跑楼梯设计,每跑取12步。
在公式中,应调整 h 使 N 为整数,当为双跑平行楼梯时,踏步数 N 最好为偶数。
③计算楼梯段水平投影长度
梯段的长度取决于踏步数量,当每层总的踏步级数 N 求出后,双跑楼梯梯段长 L 为:
L =( N /2-1)Хb,L=(12-1)*300=3300
此公式适用于双跑且梯段踏步数相等的楼梯,否则应按实际踏步数计算。
4.计算梯段宽度和平台宽度
取梯井宽度C=200mm。
梯段宽 a =(梯间净宽﹣ C )/2=(3600-2X120)-200)/2=1580mm
休息平台宽度 D ≥ a ,取 D =1600mm
梯段宽 a =(梯间净宽一梯井宽)/2,
平台宽 D 应大于或等于梯段宽,
5校核进深净尺寸
进深净尺寸为L1=6000-120=5880mm
设计进深尺寸
L +D=3300+1600=4900mm
L1-( L +D)=5880-4900=980mm
设计进深小于楼梯间进深,满足要求。
楼梯一般与走廊相连,楼层平台与外走廊间有层平台缓冲。
一层楼梯靠走廊一侧要回缩至少一个平台水平长度,不能顶着外墙皮设踏步,易与走廊行人发生碰撞,回缩至少一个平台长度,给下楼梯的人一个缓冲,方便安全从梯段走出。980/300=3.27踏步,至少缩回3步,下楼梯的人比较安全,不会与走廊行人冲撞。

双跑楼梯设计
一层中间平台想离地高度高一点的话,第一跑楼梯段做成13步,第二跑做成11步,第一跑长度12*300=3600;第二跑长度10*300=3000;
计算梯段宽度和平台宽度
取梯井宽度C=200
梯段宽 a =(梯间净宽﹣ C )/2=(3600-2X120)-200)/2=1580mm
休息平台宽度 D ≥ a ,取 D =1600mm
梯段宽 a =(梯间净宽一梯井宽)/2,
平台宽 D 应大于或等于梯段宽,
进深净尺寸为L1=6000-120=5880mm
设计进深尺寸
L +D=3600+1600=5200mm
3000+1600=4600mm,相当中间平台提高一个踏步高,第二跑第一个踏步变成平台,第二跑梯段平台宽增加300mm。一层平台宽度左右相减300mm。
L1-( L +D)=5880-5200=680mm,向外延伸一个踏步,提高一层平台空间高度。
设计进深小于楼梯间进深,满足要求。

楼梯间
-
- 演艺界的“戏痴”一一靳东
-
2025-06-13 02:20:26
-
- 王源上快本怼郭京飞,秒变答题小高手,自曝网购数量吓到何老师
-
2025-06-13 02:18:12
-
- 胡秃子盆景的栽培方法,本以为养它很难,看完才知道,原来也简单
-
2025-06-13 02:15:57
-
- 核弹头重2吨,威力仅次于萨尔马特洲际导弹,具备精准打击能力
-
2025-06-13 02:13:43
-
- 费雪方程式(收入、价格与货币的关系)
-
2025-06-13 02:11:29
-
- 春晚那些搞笑的小品集锦
-
2025-06-13 02:09:15
-
- GDP的意义
-
2025-06-13 02:07:00
-
- 高颜值蓝牌轻卡来了!全新欧马可S3身材合规动力也强劲
-
2025-06-13 02:04:46
-
- 这个黑幕,一定要告诉家人
-
2025-06-13 02:02:32
-
- 运行了28年,虎门渡口5月25日停渡
-
2025-06-13 02:00:18
-
- 男装品牌十大排行榜
-
2025-06-13 01:58:03
-
- 第十九届ChinaJoy7月30日登陆上海,亮点抢先看
-
2025-06-13 01:55:49
-
- 心疼于谦,竟第一个被“坑爹”专业户黄一琳盯上了
-
2025-03-08 16:02:14
-
- 风险评估报告模板
-
2025-03-08 15:59:59
-
- 忠于曹魏的“虎痴”和政治斗争牺牲品的许仪
-
2025-06-13 00:05:44
-
- 9月12日历史上发生的事
-
2025-03-08 15:55:29
-
- 如何在国内租到摩托车,个人摩旅租车经验分享
-
2025-03-08 15:53:14
-
- 500亿!华为超级大分红
-
2025-03-08 15:51:00
-
- 豆瓣第一电影—肖申克的救赎The Shawshank Redemption(中英双语)
-
2025-03-08 15:48:45
-
- 写给所有年轻人的30个硬核攒钱技巧
-
2025-03-08 15:46:30



知青廖晓东儿女现状(知青廖晓东丈夫近况)
多地火车站小巷子惊现“站街女”,50元一次,大爷:很常见经常去